![]()

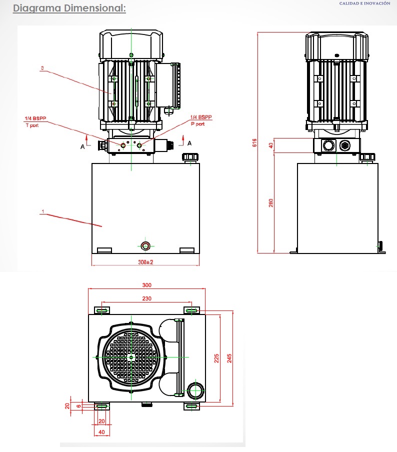
Central Hidráulica Compacta 380VAC
Resumen Técnico:
- Voltaje Motor Eléctrico: 380 VAC
- Caudal de Operación: 6 Litros/Minuto
- Presión de Operación: 200 BAR (2900 PSI)



Central Hidráulica con motor de 3HP de potencia, alimentada con 380VAC, el motor tiene una velocidad angular de 1450 rpm. La bomba instalada es de tipo engranajes de alto rendimiento, proporciona al sistema un caudal de 6 Litros/min.
Se instala una válvula de retención o válvula check para proteger la bomba de contra presiones, además se instala una válvula de sobrepresión con esta válvula se regula la presión del sistema. Para el control de los cilindros de simple efecto se instala una válvula 2/2 de cartucho Normal Cerrada (NC), cuando la aplicación es controlar el movimiento de cilindros doble efecto se instala una válvula 4/3 cetop 3 centro tándem con bobinas solenoides de 220VAC. Opcionalmente también se puede instalar una válvula manual de palanca.
La central hidráulica cuenta con filtros de succión y retorno, en el estanque se instala una tapa de llenado con indicador de nivel.
Listado de Componentes Central Hidráulica Compacta 380VAC
Listado de Componentes (Opcionales)
Aplicaciones Generales:
Aplicaciones Especificas:
- Compactadores
- Grúas
- Montacargas
- Elevadores
- Cintas transportadoras
- Winches



