![]()

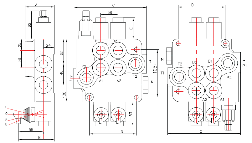
Especificaciones Técnicas Serie 85L:
- Cuerpo de acero
- Monoblock de 1 a 4 palancas
- Circuito paralelo con antiretorno en "P"
- Caudal máximo de operación 85l/min (21GPM)
- Presión máxima de operación 250 BAR (3600 PSI)
- Válvula Check y Sobrepresión incorporada para protección
- Conexiones 1/2" BSP para "P" , "A" y "B"
- Conexiones 3/4" BSP para "T"





