![]()

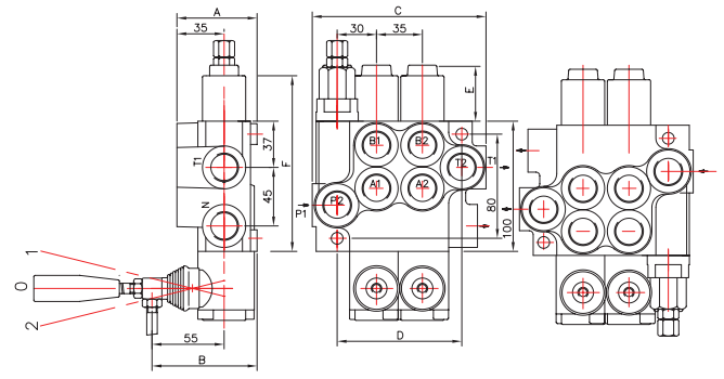
Especificaciones Técnicas Serie 45L:
- Cuerpo de acero
- Monoblock de 1 a 5 palancas
- Circuito paralelo con antiretorno en "P"
- Caudal máximo de operación 45l/min (12GPM)
- Presión máxima de operación 315 BAR (4567 PSI)
- Válvula Check y Sobrepresión incorporada para protección
- Conexiones 3/8" BSP para "A" y "B"
- Conexiones 1/2" BSP para "P" y "T"



|
|




